Шланговая задвижка 33п22р
Шланговая
Фланцевое
50 - 200
От -30 до +45
От -30 до +120
от 5 рабочих дней
А (по ГОСТ 9544-2005)
УХЛ3
ООО "НПО "Спецнефтемаш"
Жидкие среды для систем водоснабжения и канализации, неагрессивные и агрессивные, пульпообразные, жидкие и вязкие среды, минеральные масла и нефтепродукты
Кроме алюминиевых фланцевых задвижек, в линейке запорной арматуры для трубопроводов встречаются изделия в пластиковом корпусе — это задвижка шланговая 33п22р. Рабочий ход всех ее регулирующих и запирающих элементов осуществляется в перпендикулярной плоскости относительно вектора движения среды. Такие устройства предназначены для остановки или изменения мощности потока сред и монтируются в трубопроводах, по которым на промышленных объектах транспортируются сыпучие и жидкие вещества, пар и газ.
О применении фланцевых задвижек 33п22р
Помещенная в пластмассовый корпус шланговая задвижка 33п22р выполняет функцию запорной и регулирующей арматуры и интегрируется в трубопровод. Конструкция устройства претерпела модернизацию, за счет которой проявились такие свойства, как стабильность работы и надежность в процессе эксплуатации.
Пластиковые модели 33п22р и алюминиевые нужны для прокладки нефти и водопроводов. Простота принципа действия и не требующее сложных приемов обслуживание обуславливают их широкое применение на предприятиях ЖКХ, где по нормам герметичности затворов востребован класс «А».
Монтаж изделия допускается в системах:
- холодного и горячего водоснабжения
- технического и оборотного водоснабжения;
- бытовой и ливневой канализации;
- для транспортировки и раздачи кормов;
- наливных магистралей для передачи по трубопроводам углеводородов.
Если в трубе сохраняется номинальное давление среды на уровне 0,2 МПа, производитель рекомендует установить модифицированную фланцевую задвижку 33п22р, в которой патрубок открывается принудительно. Согласно техническим условиям 26-07-558-97, запорная арматура выдерживает номинальное давление до 0,6 МПа при внутреннем диаметре канала для прохождения среды 50 мм. Монтаж при установке в трубу выполняется с помощью фланцев.
Порядок эксплуатации: допустимые условия для работы шланговой задвижки 33п22р
Согласно спецификациям, указанным в сопроводительных документах завода-изготовителя, алюминиевые и полимерные запорные устройства можно применять для транспортировки следующих сред:
- мало агрессивных и агрессивных веществ;
- воды и других жидкостей разной вязкости;
- абразивных материалов;
- пульпы и шлама;
- нефти, газа и других.
Рекомендуется нужно следить за наибольшим избыточным рабочим давлением — оно не должно превышать 6 кгс/см² для обычной модели и 2 кгс/см² для модифицированной.
В производстве патрубков для шланговой фланцевой задвижки как в алюминиевом, так и в пластиковом корпусе применяется резина разных сортов, каждый из которых обладает своей степенью стойкости к воздействию агрессивных сред.
Список технических данных шланговой задвижки 33п22р производства ООО "НПО "Спецнефтемаш"
Согласно спецификациям производителя, фланцевые затворы в пластиковом корпусе по аналогии с алюминиевыми должны соответствовать следующим параметрам:
- округленное значение внутреннего диаметра (мм) — 50;
- максимальное рабочее давление (МПа) — 6;
- класс герметичности согласно ГОСТ 9544-2015 — А;
- способ монтажа — через фланцы;
- режим управления — ручной;
- вектор движения среды и рабочее положение — не имеют значения;
- вес изделия (г) — 4 650.
В качестве материала корпуса конструкторы выбрали прочный полимер.
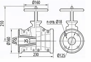
Параметры шланговой задвижки 33п22р: инженерный чертеж изделия

|
Материал корпуса |
Рабочая среда |
T max |
Привод |
Присоединение |
ДУ |
|
пластмасса |
слабые растворы кислот и щелочей, двуокись титана, агрессивные абразивные пульпы с размером частиц твердых включений до 3 мм, минеральные масла, нефтепродукты |
110 |
ручной (маховик) |
фланцевое по ГОСТ 12815-80 |
50 |
Надежная площадка для производства фланцевых задвижек 33п22р
ООО "НПО "Спецнефтемаш", изготовитель и поставщик продукции на рынок запорной арматуры, зарекомендовал себя как надежный партнер. В числе потребителей продукции производственного объединения отметились ведущие компании разных отраслей индустрии РФ:
- предприятия, добывающие и перерабатывающие углеводородное сырье;
- энергетические концерны;
- фармацевтические фабрики;
- химические комбинаты.
В течение нескольких лет на площадке НПО идет разработка и производство арматуры для трубопроводов разного назначения. В процессе изготовления используется качественное сырье — сталь, алюминий и современные полимеры.
В производственном процессе учитываются требования, выдвигаемые к продукции со стороны потребителей. В результате вся продукция характеризуется как безопасная, долговечная и экологичная. Высокого качества продукции удается достичь за счет инновационного оснащения промышленной площадки, интеграции современных технологий и задействования высококвалифицированного персонала. Немаловажное значение имеет внедрение контроля качества на всех этапах производства.
Где заказать задвижки 33п22р
В числе преимуществ компании ООО "НПО "Спецнефтемаш" отмечают следующие:
- возможность купить любую партию — на собственном складе предприятия обеспечивается необходимый запас алюминиевых и пластиковых изделий;
- гарантированные технические характеристики модели 33п22р — качество подтверждается сертификатами и прочими предусмотренными законодательством сопроводительными документами;
- компания тщательно соблюдает сроки изготовления и отгрузки;
- изготовитель не завышает стоимость — заказать продукцию можно по ценам без посреднической наценки.
По контактному телефону 8-800-3021-565 предлагается связаться с менеджером-консультантом по таким вопросам, как сроки, цена, способ доставки, характеристики устройств и возможность купить аналоги.
RU,
ул.Стрельбищенская, д. 60,
Пенза,
440023
Телефоны: +7 (800) 3021-565 +7 (8412) 45-06-86 +7 (8412) 45-06-83 +7 (499) 399-36-86 +7 (843) 245-16-86 +7 (3412) 77-11-86 +7 (3919) 27-08-86 +7 (3462) 982-086 +7 (3496) 450-686 +7 (4112) 258-886 +7 (3843) 602-886 +7 (391) 214-58-86 +7 (383) 375-48-86 +7 (3812) 378-586 +7 (342) 204-50-86 +7 (351) 377-11-86 +7 (3453) 528-086 +7 (861) 290-58-86 +7 (8512) 62-06-86 +7 (8442) 50-00-86 +7 (3532) 90-56-86 +7 (812) 931-73-44
https://snmash.ru
https://snmash.ru/images/logo.svg
https://snmash.ru/images/logo.svg
от 3000 рублей до 2500000 рублей

