Резервуар горизонтальный стальной подземный РГСП-10
10 м3
От 0 до 90 °C
сталь Ст3, 09ГС2С, 12х18Н10Т
подземное
Нефтепродукты
Жидкость
до 9 баллов
10 лет
ООО "НПО "Спецнефтемаш"
Типоразмеры в наличии:
Резервуары РГСП 10 используются для хранения/сбора субстанций различной плотности. Изготавливаются из стали. Применяются с материалами плотностью до 1015 кг/куб метр.
Применение РГСП 10
Подземный резервуар подходит:
- для масел;
- воды;
- нефтепродуктов (светлых/темных);
- химикатов;
- топлива (бензин, керосин);
- химических реагентов и многого другого.
Подземные горизонтальные резервуары РГСП10 м3 отличаются рядом преимуществ перед наземными аналогами. Будучи эффективными для хранения агрессивных сред, они гарантируют более высокую пожарную безопасность, экологичность. Применение качественного материала определяет оптимальный вес, компактность емкости.
Стандарты
Эксплуатационные требования определены рядом ГОСТ и подтверждены Разрешением на применение. Все изделия ООО "НПО "Спецнефтемаш" выполняются согласно пунктам стандартов ГОСТ:
- 17032–2010,
- 34347-2017 (взамен устаревшего ГОСТ Р 52630-2012).
Надежность и долговечность конструкции подтверждены сертификатом (№ Росс.RU.АВ17.по1286) и Разрешением на эксплуатацию (РРС 00–047039).
Требования для использования емкости
Безопасная эксплуатация подземных горизонтальных резервуаров РГСП-10 определяет ряд требований к жидкости межстенного пространства. Для эффективного использования стальной емкости она должна быть:
- плотностью выше хранимой субстанции;
- химически нейтральной (в отношении собираемого продукта и материала стенок);
- невосприимчивой к перепадам температур и температурному режиму, на который рассчитана емкость.
- Температура вспышки жидкости не должна быть ниже 100 градусов.
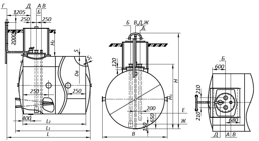
Технические характеристики
| Наименование параметра | Значение | |
|---|---|---|
| Рабочее давление, МПа | налив | |
| Допустимое избыточное давление, МПа | 0,04 | |
| Рабочее давление в теплообменном устройстве, МПа | 0,8 | |
| Рабочая температура, °С | От 0 до 90* | |
| Допустимая минимальная стенки резервуара, °С | Ст3пс4 | Минус 40 |
| 09Г2С-8 | Минус 60 | |
| Внутренний диаметр резервуара, Dв, мм | 2200 | |
| Длина резервуара, L, мм | 4065 | |
| Длина резервуара, L1, мм | 3430 | |
| Длина цилиндрической части резервуара, L2, мм | 3210 | |
| Толщина корпуса резервуара, S/S1, мм | 8/8 | |
| Ширина резервуара, В, мм | 2360 | |
| Высота резервуара, Н, мм | 5630 | |
| Высота резервуара при транспортировке, Н1, мм | 2580 | |
| Уровень засыпки, Н2, мм | 1272 | |
| Площадь поверхности теплообмена, м2 | 3,2 | |
| Масса резервуара, кг | 2860 | |
| Установленный срок службы, лет | 10 | |
| Сейсмичность по 12ти балльной шкале, балл, не более | 6 | |
| Группа резервуаров по ОСТ 26 291-94 | 5 | |
| Среда в резервуарах |
Нефтепродукты (токсичная класс опасности 3 по ГОСТ 12.1.007-76, взрывоопасная; категория 11А по ГОСТ Р 51330.11-99; группа взрывоопасности Т3 по ГОСТ Р 51330.5-99 пожароопасная) |
|
| Среда в теплообменном устройстве | Жидкость (нетоксичная, взрывобезопасная, пожаробезопасная) | |
Требования к сейсмичности площадки строительства
Благодаря передовым технологиям производства, резервуарное и емкостное оборудование ООО НПО "Спецнефтемаш" способно выдерживать сейсмические воздействия вплоть до 9 баллов по шкале MSK-64. Проведенные в сентябре 2017 года испытания подтвердили это на практике, в результате чего был получен Сертификат Соответствия требованиям нормативных документов ГОСТ 30546.1-98, ГОСТ 30546.2-98, ГОСТ 30546.3-98.
Таким образом, если вам необходимо качественное резервуарное или емкостное оборудование при строительстве объектов нефте-газовой промышленности в сейсмически активных районах, ООО НПО "СпецНефтеМаш" готов удовлетворить ваш спрос.
Как заказать емкости РГСП10
В ООО "НПО "Спецнефтемаш" вы можете заказать производство, готовые конструкции, их доставку, монтаж. Для расчета стоимости заказа обращайтесь к консультантам нашего завода любым удобным способом – по электронной почте (marketing@snmash.ru), телефону 8-800-3021-565.
Для вашего удобства мы разработали анкетный лист. Заполните его в онлайн и получите:
- быстрый расчет потребности;
- ориентировочную стоимость заказа;
- комплектное оборудование для конструкции.
ООО "НПО "Спецнефтемаш" предлагает самую честную цену резервуарного оборудования, выгодную быструю доставку до Александрова, профессиональную установку РГСП 10 на вашей территории.



