Расширитель продувки СП-0,5-0,7
От -60 до 40 °C
не более 9 баллов
ООО "НПО "Спецнефтемаш"
Типоразмеры в наличии:
В линейке используемых для повторного использования энергии тепла устройств расширитель непрерывной продувки РП-0,5-0,7 — это аппарат, который сепарирует состоящую из перемешанных между собой пара и воды рабочую среду, выделяя из нее обе составляющие. Узлы монтируют в системах продувки барабанных элементов стационарных паровых котлов, работающих при низком, среднем или высоком давлении, чтобы эффективно использовать тепло. Благодаря проходящему в системе процессу непрерывной продувки расширители помогают сократить расход теплоносителя и минимизировать потери тепла. Когда появляются особые претензии к характеристикам пара (чистота и прочие), дополнительно применяют сепараторы продувки. С целью простого выделения парообразной и жидкой составляющих нет необходимости в допооборудовании, работающем вместе с предназначенными для периодической или непрерывной продувки расширителями РП 0,5.
Описание и устройство расширителя РП-0,5-0,7
Необходимый для непрерывной продувки расширитель РП-0,5-0,7 — это циклонный аппарат, где разделение пароводяной смеси происходит благодаря центробежным силам, возникающим при тангенциальном вводе потока. Устройство расширителя: на корпусе агрегата, который представляет собой вертикальный цилиндр, закрытый с торцов днищами плоской или эллипсоидной формы, находятся патрубки для пара и воды — входной (сплющенный или круглый) и выходные. Поток завихряется благодаря направленной подаче рабочей среды на стенки сосуда. Парообразный теплоноситель, сохраняя вращение, поступает в верхнюю часть, где посредством предназначенного для этого патрубка выводится наружу, а жидкость конденсируется на поверхности стенок, позднее происходит ее сток в отвод, расположенный внизу.
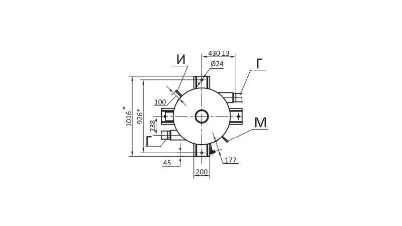
Чертеж расширителя РП-0,5-0,7
На чертеже представлено устройство расширителя продувки паровых котлов.
На чертеже изображены проекционные области сбоку и сверху.
Экспликация патрубков
| Обозначение буквами на чертеже | Наименование | DN, мм | Количество, шт. |
| А | Точка выведения парообразной среды после сепарации | 150 | 1 |
| Б | Точка выведения жидкости, выделенной в процессе сепарации пароводяной смеси | 100 | 1 |
| Г | Точка, в которой осуществляется запуск пароводяной смеси | 100 | 2 |
| Л | Люк | 130 | 1 |
| П | Монтажные фланцы водоуказателя | 16 | 4 |
|
Штуцеры для следующих целей: |
|||
| В | Фиксация арматуры предохранительного типа (клапан) | 100 | 1 |
| И | Присоединение трубопровода малого диаметра (импульсная линия) | 20 | 1 |
| М | Установка контрольно-измерительного прибора, следящего за давлением | 10 | 1 |
| У | Сопряжение с резервуаром, поддерживающим постоянный уровень содержимого (уравнительный сосуд) | 30 | 1 |
Технические характеристики расширителя РП
| Техпараметры | Числовой показатель |
| Ру, МПа | 0,1 (0,6) |
| t (предельная), °C | 121 (160) |
| Р, при котором проводились испытания агрегата, МПа | 0,6 |
| Объем, м3 | 0,5 |
| Вес, т | 0,62 |
Приобрести расширитель продувки РП-0,5-0,7 в ООО "НПО "Спецнефтемаш"
Обратившись напрямую в отдел продаж ООО "НПО "Спецнефтемаш", вы получаете возможность выгодно купить без посредников расширители продувки котлов паровой сети. Заказать оборудование можно одним из простых и удобных способов:
- оставьте заявку на сайте;
- воспользуйтесь опцией «обратный звонок»;
- свяжитесь с нашим менеджером по телефону 8 (800)-3021-565, чтобы узнать цены и условия доставки.
Наша компания гарантирует открытость: качество материалов подтверждаем официально — все сертификаты вы получите сразу после обращения. Доставка расширителей РП-0,5-0,7 в любой регион России и страны СНГ — наша забота.

